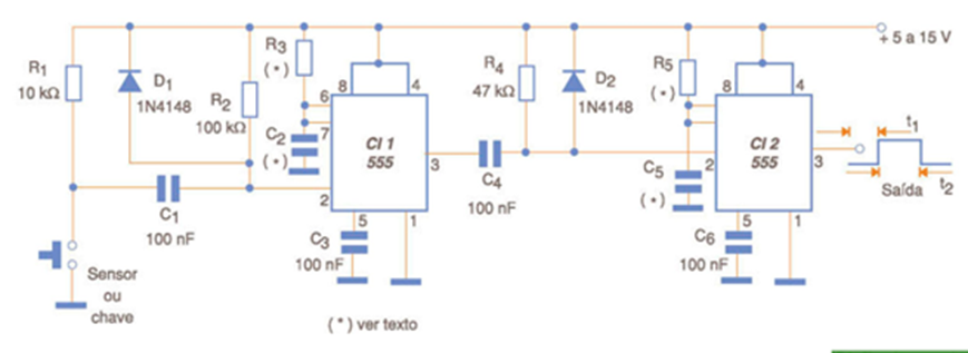
Generador de pulsos retardados Esta puede considerarse una aplicación "avanzada" en la que se utilizan dos circuitos integrados 555 para generar un pulso de duración controlada, producido después de un cierto intervalo de tiempo. El circuito, que puede accionar una carga de potencia o un relé, según la aplicación, se muestra en la figura. Cuando se presiona S1, el primer monoestable 555 se activa y su salida se vuelve alta durante un intervalo de tiempo que depende de R3 y C2, como se calcula mediante la siguiente fórmula:

Al final de este intervalo de tiempo, la salida 555 volverá a baja, lo que hará que se active el segundo monoestable 555, comenzando así la producción del pulso de salida. La duración del pulso producido depende de R5 y C5, según la siguiente fórmula:

El circuito puede alimentarse con tensiones de 5 a 15 V, y los valores máximos de temporización rondan 1 hora con capacitores de 1.500 µF y resistencias de 2,2 M ohms.




