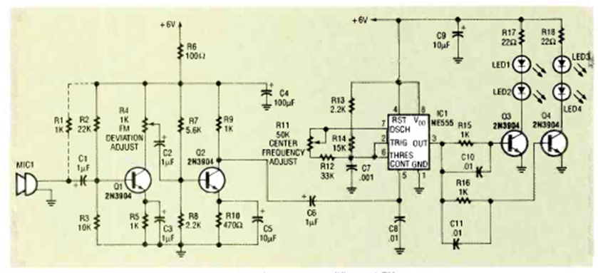
Este circuito fue encontrado en la revista Radio Electronics de diciembre de 1992. El alcance depende de las capacidades ópticas y también de las condiciones climáticas.
Me encontré este circuito en una revista francesa Radio Constructeur de 1968, salva de inundación (de...
Este circuito fue obtenido en una publicación sobre timers de Motorola de 1974. Los transistores admiten...
Este circuito detecta cuando una señal alcanza su valor máximo. La fuente debe ser simétrica y se...