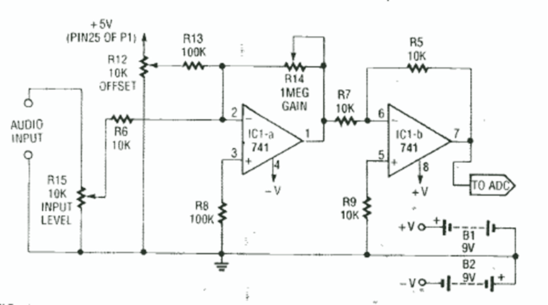
Este circuito, que se encuentra en la revista Radio Electronics de febrero de 1992, está destinado a adaptar una señal de audio para ser utilizada en el ADC de una computadora. Se puede adaptar para funcionar con microcontroladores.
Este circuito se destina al control de cargas de corriente continua en el rango del 0 a 15 V con...
Samuel Morse fue el inventor del telégrafo, que es un sistema eléctrico de comunicaciones, capaz de...
Este circuito fue encontrado en una publicación europea de los años 80. El operativo utilizado no es...