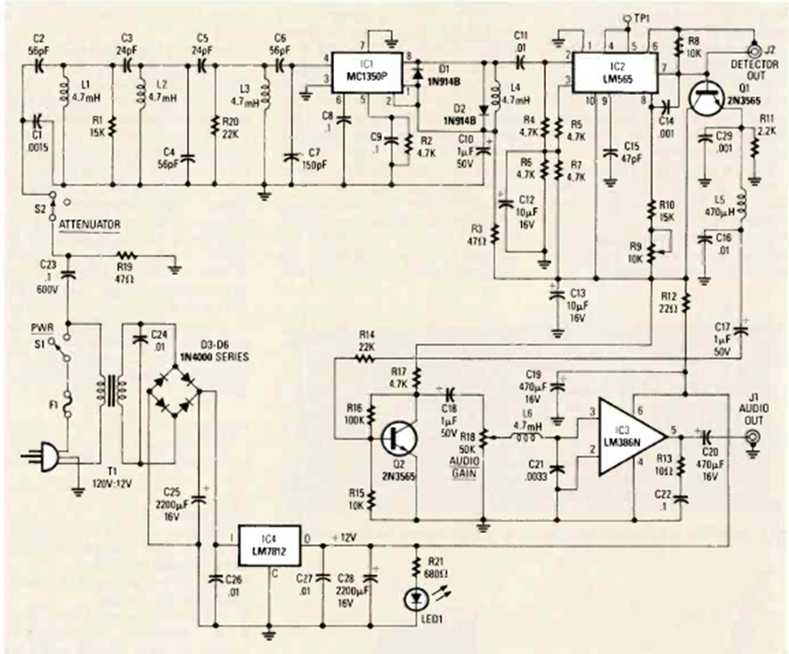
A diferencia del anterior, este circuito está pensado para recibir señales moduladas en frecuencia transmitidas por la red eléctrica. El circuito es de una Radio Electronics de febrero de 1989.
Este circuito, que utiliza un medidor de VU cero en el centro de la escala, que actualmente no se puede...
Este temporizador digital proporciona temporizaciones de 1 minuto a 10 horas con indicación en un display...
Encontramos este circuito en una documentación de los años 80. Se trata de una etapa de entrada...