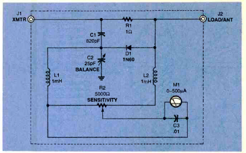
Encontramos este circuito en la revista Electronics Now de marzo de 1999. El indicador utilizado es del tipo analógico. Los valores mostrados dependen de la calibración.
Este circuito, que utiliza un medidor de VU cero en el centro de la escala, que actualmente no se puede...
Este temporizador digital proporciona temporizaciones de 1 minuto a 10 horas con indicación en un display...
Encontramos este circuito en una documentación de los años 80. Se trata de una etapa de entrada...