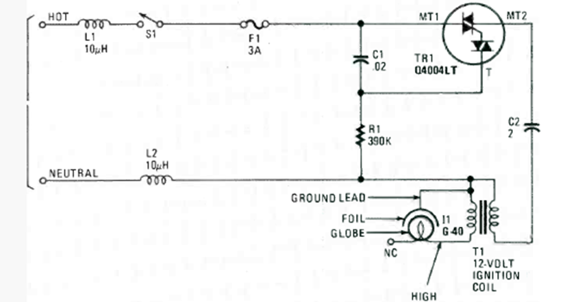
Encontramos este circuito en un Experimentador de Radio Electrónica de 1990. El circuito utiliza una bombilla incandescente común y una bobina de encendido de automóvil.
Este circuito, que utiliza un medidor de VU cero en el centro de la escala, que actualmente no se puede...
Este temporizador digital proporciona temporizaciones de 1 minuto a 10 horas con indicación en un display...
Encontramos este circuito en una documentación de los años 80. Se trata de una etapa de entrada...