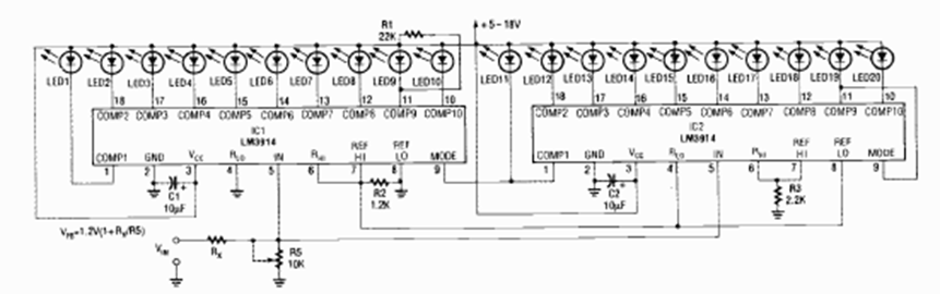
Este circuito tiene una escala de 0 a 2,56 V, pero se puede variar cambiando los valores de los componentes según la fórmula dada en el diagrama. Lo encontramos en la revista Radio Electronics de marzo de 1992.
Me encontré este circuito en una revista francesa Radio Constructeur de 1968, salva de inundación (de...
Este circuito fue obtenido en una publicación sobre timers de Motorola de 1974. Los transistores admiten...
Este circuito detecta cuando una señal alcanza su valor máximo. La fuente debe ser simétrica y se...