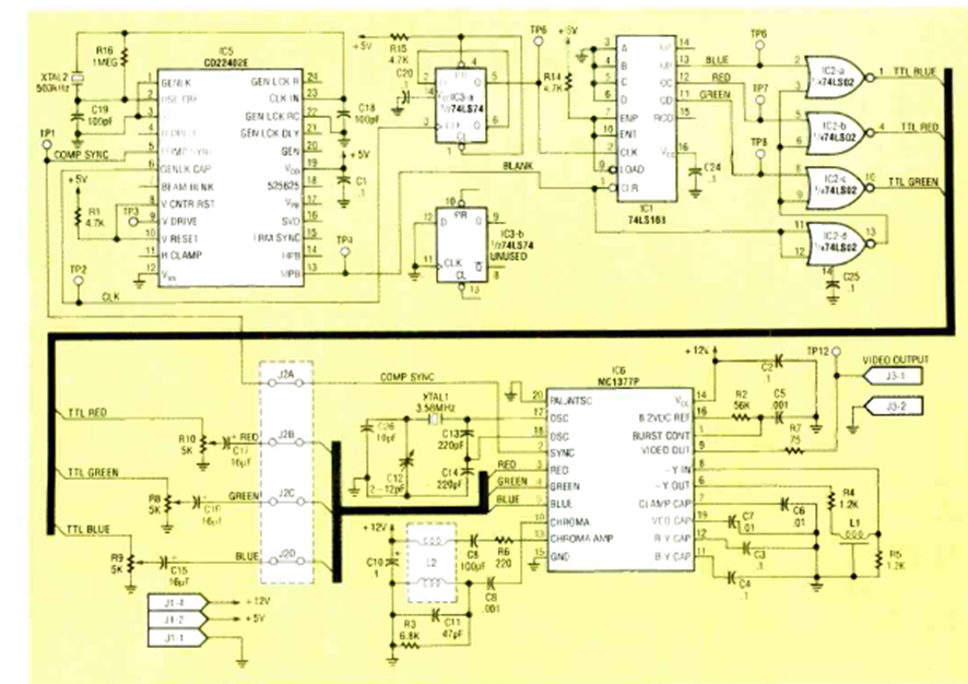
Este circuito para TV analógica genera barras en el estándar NTSC. Lo encontramos en la revista Radio Electronics de julio de 1991.
Este aparato magnetiza instantáneamente pequeñas herramientas o piezas de metal u otro material que...
Describimos el montaje de un transmisor didáctico sin bobinas en una matriz de contactos de 170...
Se trata de una versión mejorada del circuito anterior en que cada toque tenemos el cierre de los...