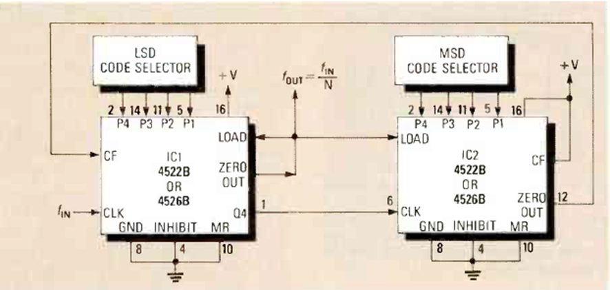
Este circuito de dos dígitos (hasta 99) divide una señal por valores programados por los interruptores BCD. El circuito es de una Radio Electronics de febrero de 1989.
Me encontré este circuito en una revista francesa Radio Constructeur de 1968, salva de inundación (de...
Este circuito fue obtenido en una publicación sobre timers de Motorola de 1974. Los transistores admiten...
Este circuito detecta cuando una señal alcanza su valor máximo. La fuente debe ser simétrica y se...