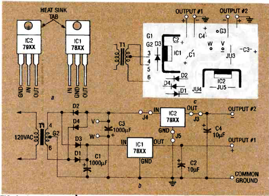
El circuito que se muestra, con la placa de circuito impreso, se encontró en un artículo de la edición de junio de 1990 de la revista Radio Electronics. Los circuitos integrados deben estar equipados con disipadores de calor.
Me encontré este circuito en una revista francesa Radio Constructeur de 1968, salva de inundación (de...
Este circuito fue obtenido en una publicación sobre timers de Motorola de 1974. Los transistores admiten...
Este circuito detecta cuando una señal alcanza su valor máximo. La fuente debe ser simétrica y se...