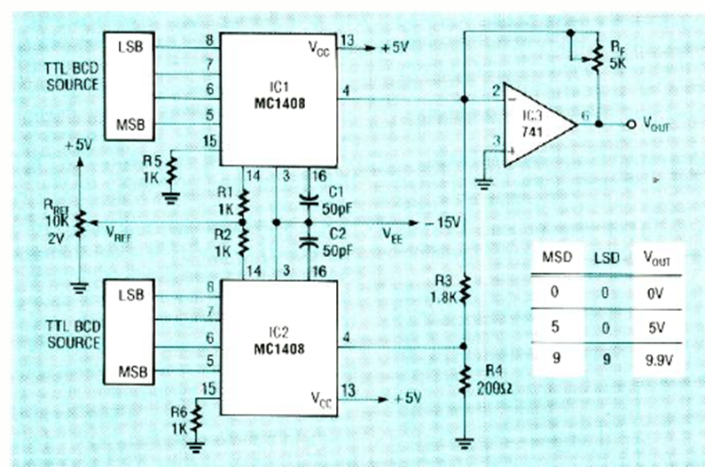
Este interesante circuito convierte señales BCD en un voltaje que puede utilizarse en una aplicación analógica. El circuito fue encontrado en la edición de julio de 1991 de la revista Radio Electronics.
Este circuito produce descargas de pequeña intensidad en quien sostenga los electrodos. Por...
Muchos equipos de sonido tienen un LED que parpadea al ritmo de la música. Usted puede incorporar un...
Este circuito puede encender una pequeña lámpara fluorescente (4 a 15 W) a partir de pilas o...