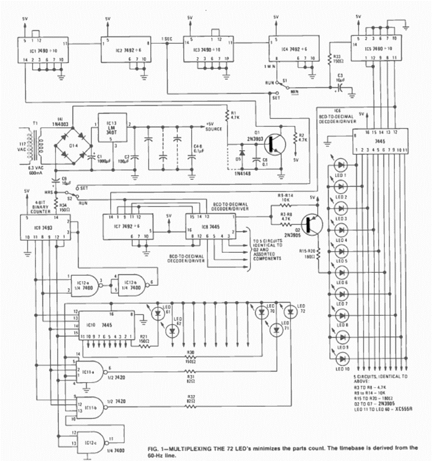
Este interesante circuito en el que la pantalla LED es circular imitando un reloj común apareció en la revista Radio Electronics en mayo de 1977. La fuente de alimentación está incluida.
Este circuito se obtuvo de la documentación anterior y tiene una configuración muy simple de 6 o...
Este circuito está conectado a la entrada de amplificadores y otros equipos de sonido que no...
El componente crítico de este proyecto de una publicación de 1988 es el transformador. La potencia...