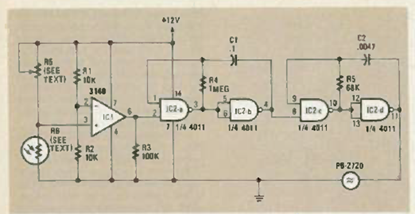
Utilizando el CA3140 como base, este circuito se encontró en Radio Electronics a partir de junio de 1986. El ajuste de sensibilidad se realiza en el trimpot en serie con el sensor.
Este circuito se encontró en documentación de General Electric de los años 90. El circuito utiliza un...
El circuito presentado opera en el rango de 10 Hz a 1 MHz, basta con elegir C1 de valor apropiado....
Este circuito fue encontrado en una documentación de Raytheon de 1957. El circuito se puede montar con...