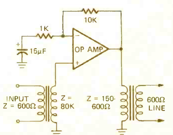
Este circuito acopla señales de 600 ohms a una línea de la misma impedancia que consta de una etapa amplificadora. El circuito con un amplificador operacional de tiempo se puede implementar con otros amplificadores operacionales. Lo encontramos en una Radio Electrónica de diciembre de 1972.




