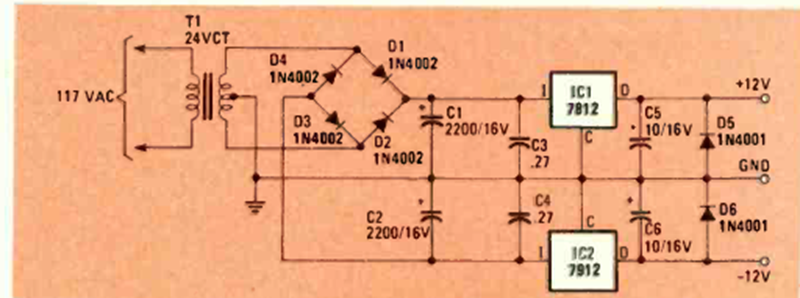
Esta fuente simétrica aparece en nuestra sección en muchas versiones. Esto es de la revista Radio Electronics de julio de 1984. Los circuitos integrados deben estar equipados con un disipador de calor. La tensión es 12 + 12 V y la corriente es 1 A.
Este oscilador Hartley experimental produce señales en el rango de 500 kHz a 1,5 MHz, sirviendo para...
El circuito presentado puede ser usado para entrenar código Morse, o incluso en exposiciones y...
La segunda versión de un control foto-eléctrico (por luz) de un motor usando un transistor...