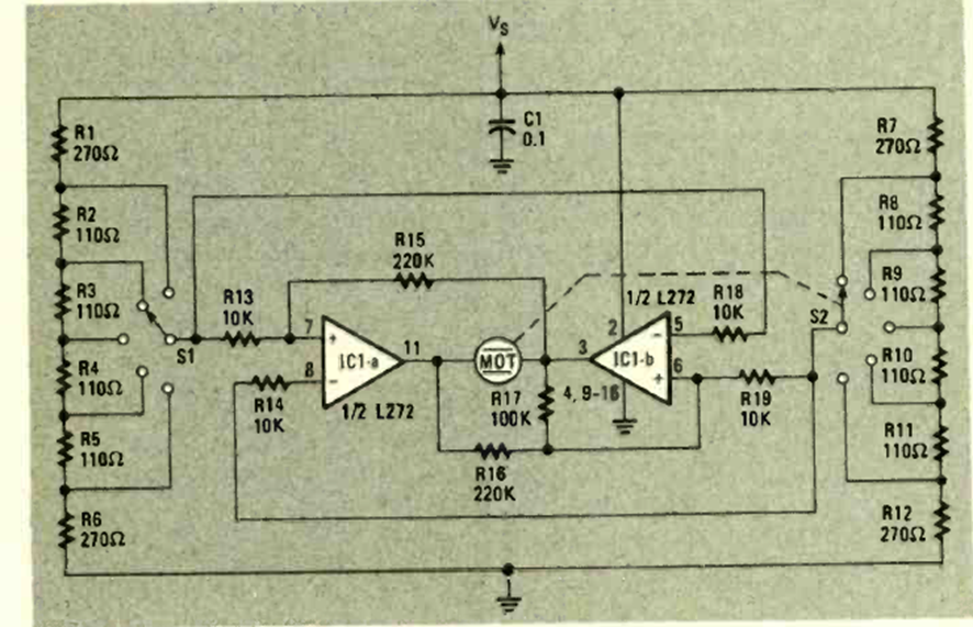
Este circuito fue encontrado en la revista Radio Electronics de diciembre de 1983. La corriente máxima de salida es 1 A y la tensión de alimentación oscila entre 4 y 28 V.
Este oscilador Hartley experimental produce señales en el rango de 500 kHz a 1,5 MHz, sirviendo para...
El circuito presentado puede ser usado para entrenar código Morse, o incluso en exposiciones y...
La segunda versión de un control foto-eléctrico (por luz) de un motor usando un transistor...