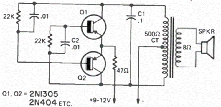
El circuito es adecuado para llamadas en un hogar y fue publicado en la revista Radio Electronics en septiembre de 1974. El transformador es para la salida de radios de transistores o amplificadores y los transistores son para propósito general.
Este oscilador Hartley experimental produce señales en el rango de 500 kHz a 1,5 MHz, sirviendo para...
El circuito presentado puede ser usado para entrenar código Morse, o incluso en exposiciones y...
La segunda versión de un control foto-eléctrico (por luz) de un motor usando un transistor...