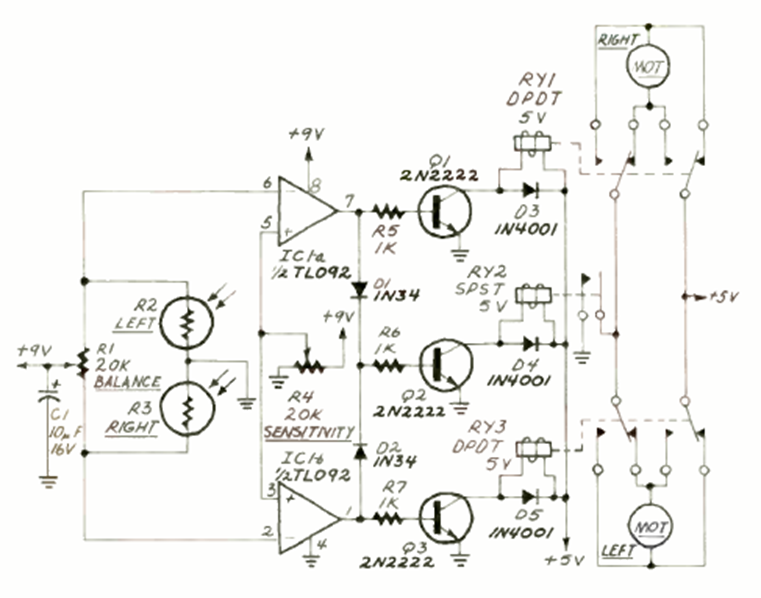
Este interesante circuito sirve para controlar un pequeño robot que busca una fuente de luz. Los sensores son LDR y el circuito tiene un ajuste de equilibrio de sensibilidad. El robot utiliza dos motores y tres relés.
Este oscilador Hartley experimental produce señales en el rango de 500 kHz a 1,5 MHz, sirviendo para...
El circuito presentado puede ser usado para entrenar código Morse, o incluso en exposiciones y...
La segunda versión de un control foto-eléctrico (por luz) de un motor usando un transistor...