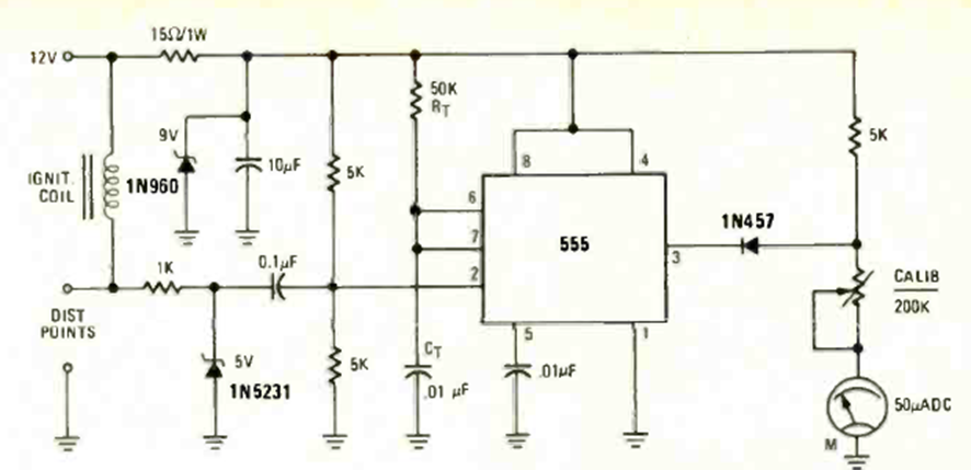
Otro de los muchos circuitos de tacómetro que tenemos en nuestra web. Esto es de la revista Radio Elecronics de septiembre de 1976. El circuito está conectado a los contactos de la placa de platino de un automóvil o a un sensor.
Encontramos este circuito en una documentación en inglés. Está diseñado para LED de alto brillo,...
Para una corriente máxima de 50 mA el capacitor debe ser de 470 nF a 250 V si la red es de 110 V y...
En la figura tenemos la forma de controlar el conteo de un 4017 con un interruptor de inicio y...