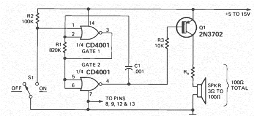
Este oscilador de alarma fue encontrado en la revista Radio Electronics de diciembre de 1974. Rx depende de la fuente de alimentación y de la potencia deseada y puede estar entre 10 y 47 ohms. Para obtener más potencia, utilice un BD136 o TIP32 para el transistor.




