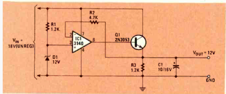
Este circuito es de una revista de Radio Electronics de julio de 1984. El transistor determina la corriente máxima y el diodo zener la tensión de salida. El transistor debe estar equipado con un disipador de calor.
Este circuito, publicado en una revista de 1961 consiste en un reóstato electrónico para el mando...
Este circuito es de una revista de Radio Electronics de julio de 1984. El transistor determina la...
Este pulsador o intermitente se encontró en una Electronics Engineering de los años 80, pero se...