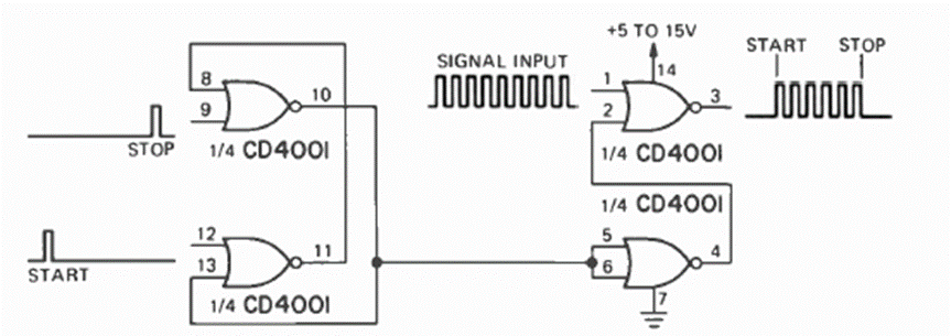
Encontramos este circuito en la revista Radio Electronics de octubre de 1974. Tenga en cuenta las formas de onda obtenidas para las señales de control y la señal controlada.
Encontramos este circuito en una documentación en inglés. Está diseñado para LED de alto brillo,...
Para una corriente máxima de 50 mA el capacitor debe ser de 470 nF a 250 V si la red es de 110 V y...
En la figura tenemos la forma de controlar el conteo de un 4017 con un interruptor de inicio y...