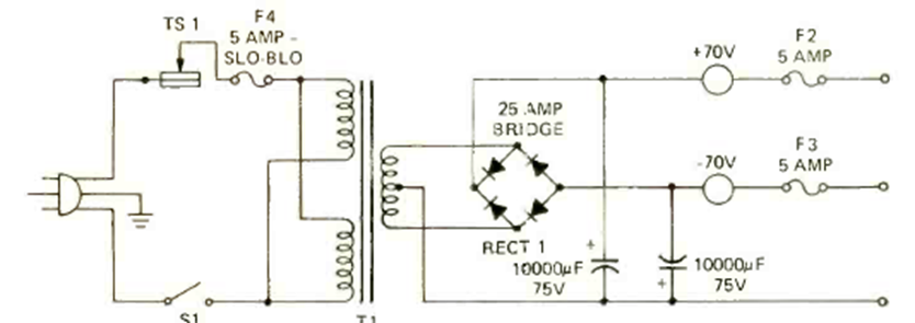
Este circuito es la fuente de alimentación del amplificador del circuito anterior. El transformador es de 5 A con una tensión de 45 V, obteniendo 70 V tras la rectificación.
Encontramos este circuito en una documentación en inglés. Está diseñado para LED de alto brillo,...
Para una corriente máxima de 50 mA el capacitor debe ser de 470 nF a 250 V si la red es de 110 V y...
En la figura tenemos la forma de controlar el conteo de un 4017 con un interruptor de inicio y...