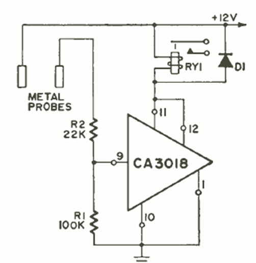
Utilizando el CA3018 publicado en ese momento, este circuito se encontró en la revista Radio Electronics de agosto de 1970. El relé es un tipo sensible de corriente de 50 mA o menos.

Utilizando el CA3018 publicado en ese momento, este circuito se encontró en la revista Radio Electronics de agosto de 1970. El relé es un tipo sensible de corriente de 50 mA o menos.
