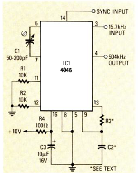
El objetivo de este circuito PLL que encontramos en la revista Radio Electronics de noviembre de 1986 es dividir la frecuencia de una señal por 32. Entra por 504 kHz y sale por 15,7 kHz. El circuito se utiliza con señales de vídeo.

El objetivo de este circuito PLL que encontramos en la revista Radio Electronics de noviembre de 1986 es dividir la frecuencia de una señal por 32. Entra por 504 kHz y sale por 15,7 kHz. El circuito se utiliza con señales de vídeo.
