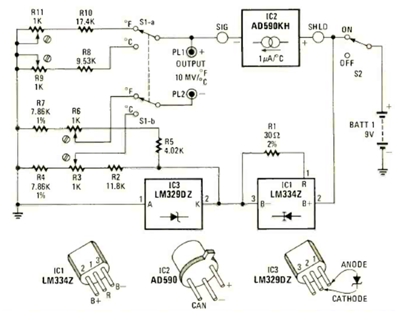
Este circuito se encontró en la revista Radio Electronics de julio de 1978. El circuito utiliza el voltímetro digital común como indicador. Los sensores son circuitos integrados de la época.
Este circuito es un oscilador de audio de desplazamiento de fase y puede generar señales alrededor de 1...
Un reóstato es un dispositivo que permite controlar la intensidad de la corriente que circula en...
Esta sirena puede equipar su bicicleta, carritos de rodillos y otros juguetes con un sonido...