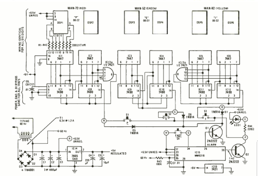
Encontrado en una revista de Radio Electronics de noviembre de 1977, este circuito digital fue descrito en un artículo que enseñaba cómo ensamblarlo. El circuito de 6 dígitos constaba de un reloj.
Este oscilador Hartley experimental produce señales en el rango de 500 kHz a 1,5 MHz, sirviendo para...
El circuito presentado puede ser usado para entrenar código Morse, o incluso en exposiciones y...
La segunda versión de un control foto-eléctrico (por luz) de un motor usando un transistor...