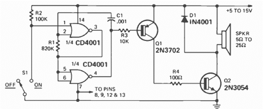
Este circuito de alarma fue recomendado por la revista Radio Electronics en diciembre de 1974. El transistor de potencia puede proporcionar salidas de 0,25 W a 11 E dependiendo de la fuente de alimentación y debe montarse en un disipador de calor.
Este circuito comercial de 3 transistores se encontró en la documentación japonesa de la década de 1960....
Encontramos este circuito comercial vendido como PT-40 en Japón de los años 60 en una...
Este oscilador se encontró en un libro sobre transistores de 1954. El transistor es de la época, y se...