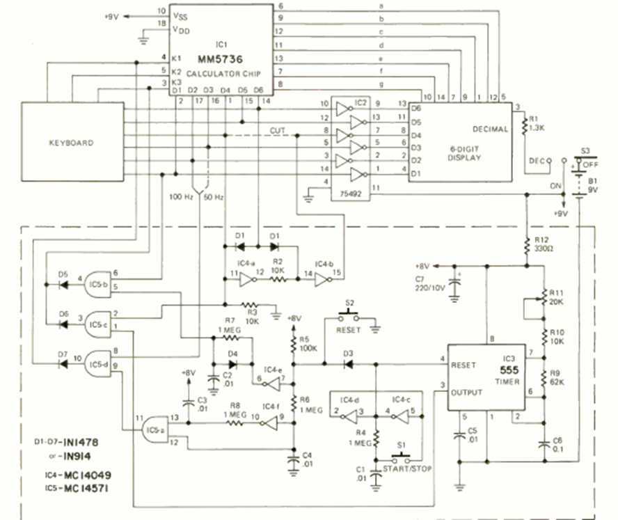
Este circuito fue encontrado en la revista Radio Electronics de febrero de 1976. Los componentes son de la época basados en el 555. La alimentación debe realizarse con las tensiones indicadas.
Este circuito comercial de 3 transistores se encontró en la documentación japonesa de la década de 1960....
Encontramos este circuito comercial vendido como PT-40 en Japón de los años 60 en una...
Este oscilador se encontró en un libro sobre transistores de 1954. El transistor es de la época, y se...