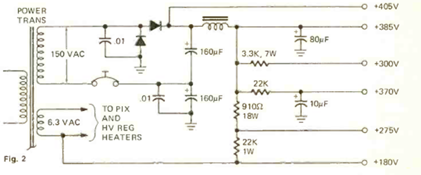
Esta fuente de alimentación apareció en la revista Radio Electronics en diciembre de 1973. Este tipo de circuito se utilizaba en aquella época para alimentar televisores de válvulas.
Este circuito puede usarse en PLL, sintetizador de frecuencia en receptores de FM y VHF,...
En la figura tenemos el circuito de un amperímetro multirango utilizando un instrumento de escala...
Los transistores de este antiguo circuito de los años 60 pueden ser BC548, en una versión actual. La...