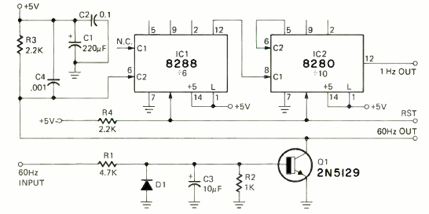
Este circuito de base de tiempo lo encontramos en un proyecto de temporizador de la revista Radio Electronics de agosto de 1972. El circuito aprovecha la señal de 60 Hz de la red eléctrica.
Este circuito comercial de 3 transistores se encontró en la documentación japonesa de la década de 1960....
Encontramos este circuito comercial vendido como PT-40 en Japón de los años 60 en una...
Este oscilador se encontró en un libro sobre transistores de 1954. El transistor es de la época, y se...