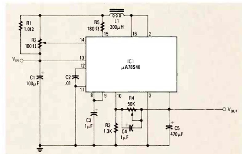
Este regulador reductor se encontró en la revista Radio Electronics de diciembre de 1985. El circuito tiene una tensión de entrada de 25V.
Este circuito comercial de 3 transistores se encontró en la documentación japonesa de la década de 1960....
Encontramos este circuito comercial vendido como PT-40 en Japón de los años 60 en una...
Este oscilador se encontró en un libro sobre transistores de 1954. El transistor es de la época, y se...