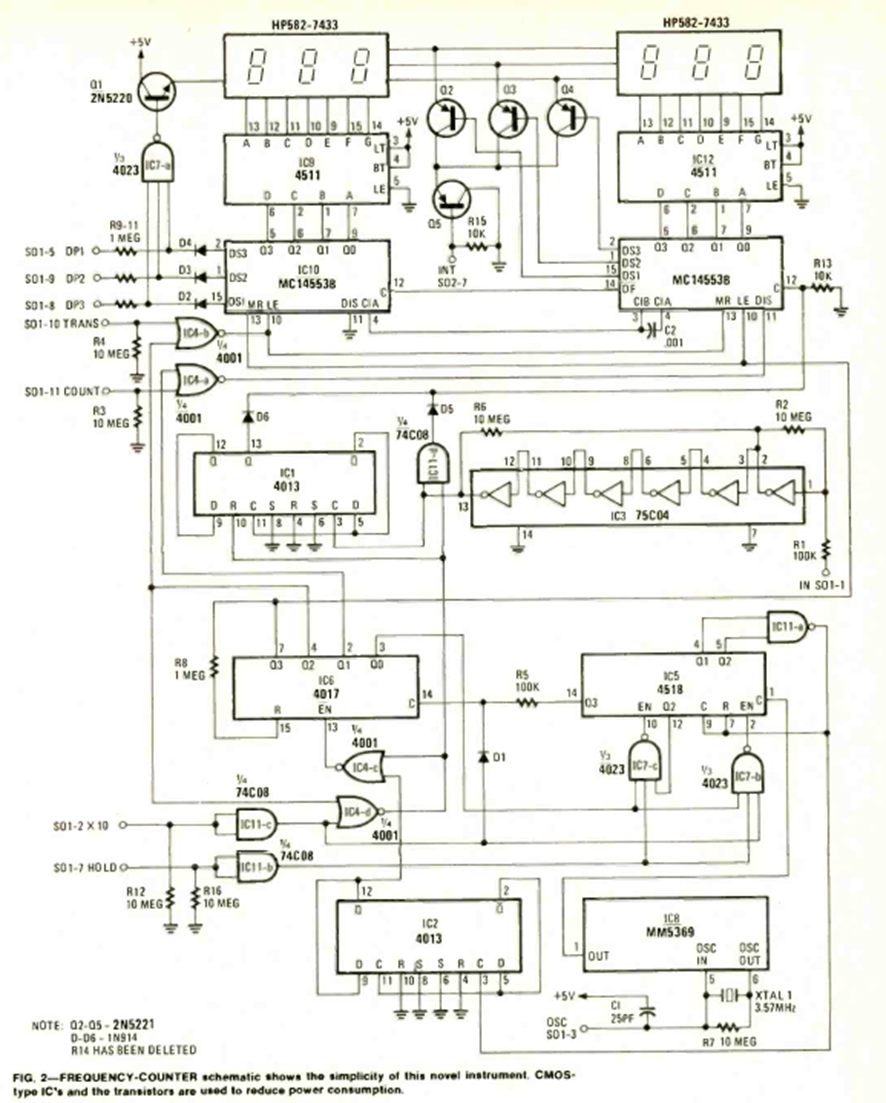
Encontramos este circuito en la revista Radio Electronics de octubre de 1978. El artículo de la revista describe su montaje. El circuito tiene 6 dígitos y utiliza componentes de período.
Diseñado para aplicaciones de batería accionado con voltajes de salida de 0,8 V a 1,2 V el...
¿Cómo verificar el aislamiento de cables, aparatos electrodomésticos, instalaciones o materiales...
Este circuito de 5,1 MHz se encontró en una documentación de la década de 1980. La frecuencia viene...