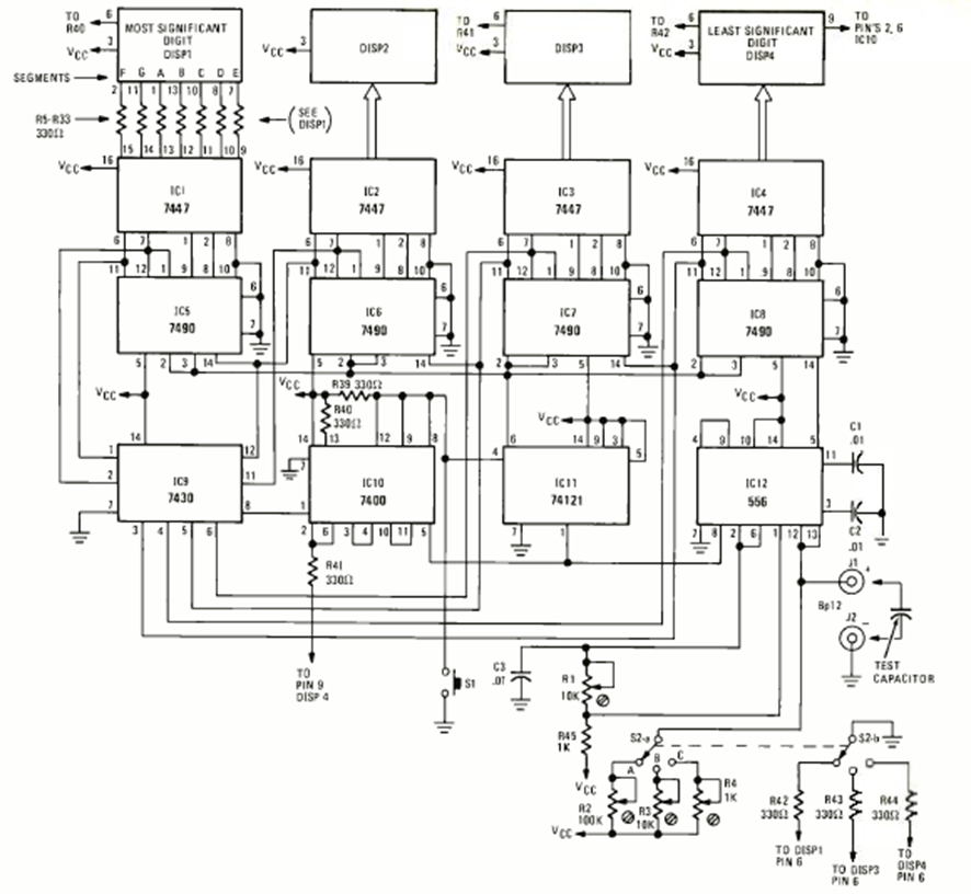
Este circuito fue encontrado en la revista Radio Electronics de diciembre de 1977. El circuito de 4 dígitos se basa en lógica TTL y debe alimentarse con una tensión de 5 V.
Este circuito es un oscilador de audio de desplazamiento de fase y puede generar señales alrededor de 1...
Un reóstato es un dispositivo que permite controlar la intensidad de la corriente que circula en...
Esta sirena puede equipar su bicicleta, carritos de rodillos y otros juguetes con un sonido...