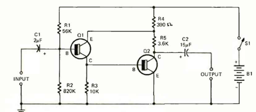
Esta configuración con dos transistores complementarios de propósito general se encontró en la revista Radio Electronics de diciembre de 1972. La alimentación está entre 6 y 12 V.
Diseñado para aplicaciones de batería accionado con voltajes de salida de 0,8 V a 1,2 V el...
¿Cómo verificar el aislamiento de cables, aparatos electrodomésticos, instalaciones o materiales...
Este circuito de 5,1 MHz se encontró en una documentación de la década de 1980. La frecuencia viene...