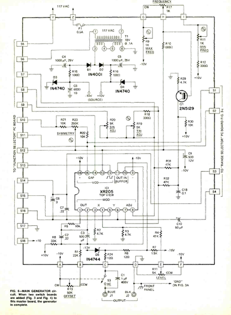
Este sofisticado circuito generador de funciones apareció en la revista Radio Electronics en septiembre de 1972. El circuito incluye la alimentación desde la red eléctrica.
Diseñado para aplicaciones de batería accionado con voltajes de salida de 0,8 V a 1,2 V el...
¿Cómo verificar el aislamiento de cables, aparatos electrodomésticos, instalaciones o materiales...
Este circuito de 5,1 MHz se encontró en una documentación de la década de 1980. La frecuencia viene...