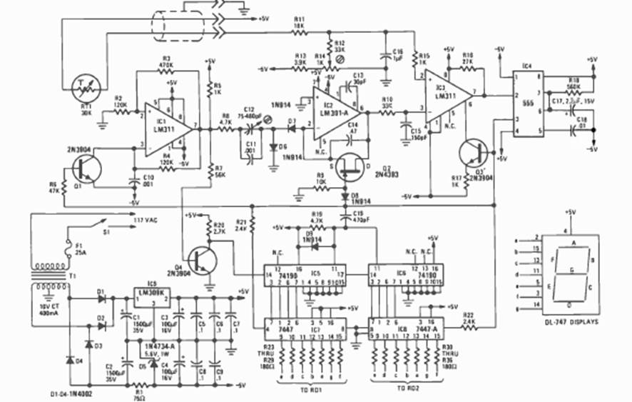
Este circuito fue encontrado en la revista Radio Electronics de septiembre de 1977. La fuente de alimentación está incluida y la lógica empleada es TTL.
Los peces pueden ser atraídos por el zumbido que imita el debatir de un insecto en el agua. Este...
Los reguladores de tensión de 5 a 15 V para las corrientes de 1 A, se pueden obtener fácilmente en forma...
Utilizando como base un transistor PNP de germanio o silicio de cualquier tipo, aprovechado de...