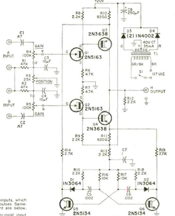
Este interruptor electrónico publicado en la revista Radio Electronics en julio de 1970 permite observar dos señales en un simple osciloscopio. El circuito es para señales de hasta 300 kHz. Los transistores son tipos de la época.

Este interruptor electrónico publicado en la revista Radio Electronics en julio de 1970 permite observar dos señales en un simple osciloscopio. El circuito es para señales de hasta 300 kHz. Los transistores son tipos de la época.
