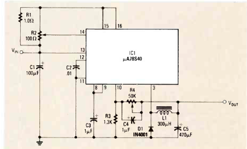
Con una entrada de 10 V, este circuito proporciona una salida de 25 V. El circuito es de Radio Electronics de diciembre de 1985.
Este circuito genera una señal de pequeña potencia en el rango superior de la gama de VHF. La...
Ya hemos descrito en nuestro sitio y en nuestras publicaciones diversas versiones del juego del...
La acción rápida de conmutación del 4093 ayuda a obtener un circuito de interruptor nocturno que no se...