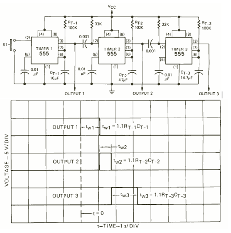
Ya hemos explorado esta configuración en artículos de nuestro sitio web e incluso en proyectos. Esta es una de las primeras que encontramos ahora en la revista Radio Electronics de marzo de 1976. Las formas de las señales obtenidas se dan al lado del diagrama.




