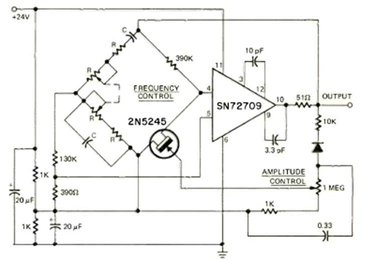
Este circuito oscilador de puente de Viena utiliza un amplificador Texas Instruments 709. Lo encontramos en un artículo de la revista Radio Electronics de septiembre de 1972. La alimentación se suministra mediante una tensión de 24 V.
Este circuito genera una señal de pequeña potencia en el rango superior de la gama de VHF. La...
Ya hemos descrito en nuestro sitio y en nuestras publicaciones diversas versiones del juego del...
La acción rápida de conmutación del 4093 ayuda a obtener un circuito de interruptor nocturno que no se...