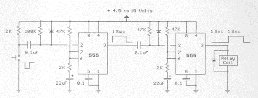
Este circuito común con el 555 se encontró en documentación de los años 90. El circuito usa dos 555 y los tiempos están dados por los capacitores en cada uno de los 555. El circuito activa un relé en 1 segundo. Produciendo un pulso de 1 segundo.
Este circuito genera una señal de pequeña potencia en el rango superior de la gama de VHF. La...
Ya hemos descrito en nuestro sitio y en nuestras publicaciones diversas versiones del juego del...
La acción rápida de conmutación del 4093 ayuda a obtener un circuito de interruptor nocturno que no se...