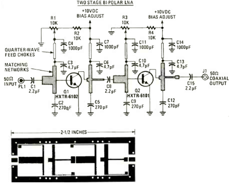
Este circuito, utilizado en la recepción de televisión por satélite de la década de 1980, se encontró en la revista Radio Electronics de marzo de 1980. Observe el diseño de la placa.
El circuito presentado en la figura 1 posibilita el control de motores de corriente continua de varios...
El principio de funcionamiento de este circuito es el mismo que el de un cargador convencional de...
Este oscilador TTL utiliza un resonador cerámico como elemento de fijación de la frecuencia. El...