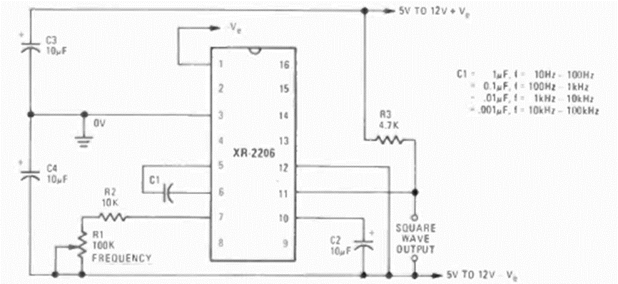
Encontramos este circuito en la revista Radio Electronics de abril de 1977. El circuito genera señales cuadradas en el rango de frecuencia que depende de C1. Los valores se dan al lado del diagrama.
Este circuito genera una señal en el faja superior de las ondas cortas y puede llegar a la banda...
Este circuito ultra-simple puede ser montado en una cajita del tamaño de paquete de cigarrillos o poco...
Describimos el montaje de un sensible galvanómetro, que puede acusar la circulación de cadenas muy...