Describimos un montaje muy simple, hecho con material de chatarra, que permite demostrar los efectos de los campos magnéticos generados por corrientes eléctricas. Dos electroimanes pueden atravesarse o repelerse según el sentido de circulación de la corriente.
Se trata, sin duda, de un buen montaje para demostraciones en clases o ferias de ciencias: dos electroimanes son colgados en un arco de alambre u otro material. A continuación, hacemos circular corrientes por los electroimanes.
Si las corrientes son tales que los campos magnéticos tienen polaridades opuestas, los imanes se aproximarán por la atracción. Por otro lado, si los campos magnéticos tienen polaridades iguales, ocurre una repulsión, que lleva a los electroimanes a la repulsión.
Una clave común permite revertir la corriente de uno de los electroimanes de modo a intercambiar atracción por repulsión y viceversa.
Todo el material usado en el montaje puede ser logrado con mucha facilidad, incluso retirado de viejos aparatos.
COMO FUNCIONA
Un hilo enrollado en forma de bobina alrededor de Un material ferroso, como un clavo, al ser recorrido por una corriente eléctrica establece un campo magnético. La polaridad del campo depende del sentido de la corriente, como muestra la figura 1.

Sabemos de los principios básicos del electromagnetismo y del magnetismo que por el mismo nombre se repelen, mientras que polos de nombres diferentes se atraen. (figura 2)
En el caso de que se produzca un cambio en la calidad de los datos,
La alimentación del circuito se realiza con pilas comunes que permiten obtener una buena fuerza de atracción o repulsión, y la reversión o inversión de la corriente es hecha por una chaqueta de tipo bastante común.
MONTAJE
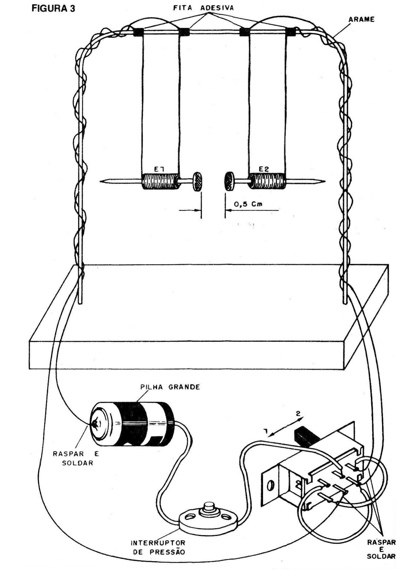
En la figura 3 tenemos el aspecto del aparato, ya que no necesitamos en este caso un diagrama.
Los clavos poseen de 50 a 200 vueltas de alambre esmaltado fino enrolladas, formando así los electroimanes. Estos clavos se cuelgan en la posición indicada por los propios hilos. Sujetamos con cinta aislante en el marco de alambre rígido o incluso hilo rígido encapado.
Todo esto se apoya sobre una base de madera. Las dimensiones no son críticas.
Una pila grande consiste en la fuente de alimentación, teniendo el hilo soldado después del raspado. El interruptor de presión es del tipo "botón de timbre" y la llave es del tipo reversible o de 2 polos x 2 posiciones. Observe que en esta llave los hilos esmaltados que son soldados deben tener sus puntas raspadas.
EXPERIENCIA
La separación entre los electroimanes E1 y E2 debe ser del orden de 0,5 cm. Presionando por un momento el interruptor de presión debe haber una repulsión o atracción de los clavos. En el caso de la atracción, van a "pegarse" uno en el otro, indicando claramente que se trata de polos opuestos que están en contacto.
Para invertir la corriente accione la llave reversible. Cambiando de posición, si había atracción, pasa a haber repulsión y viceversa.
No deje el botón presionado más de unos segundos por dos motivos: para no calentar las bobinas del imán y para no pasar rápidamente su pila.
En la demostración en una feria o clase, explique que por el mismo nombre se repelen y de nombres opuestos se atraen y de qué modo funcionan los electroimanes.
LISTA DE MATERIAL
2 clavos
10 metros de alambre esmaltado
1 pila media o grande
1 interruptor de presión
1 llave de 2 polos x 2 posiciones
1 metro de hilo común
1 alambre rígido de 60 cm
1 base de madera de 15 x 25 cm
Varios: soldadura, cinta aislante o adhesiva, etc.





