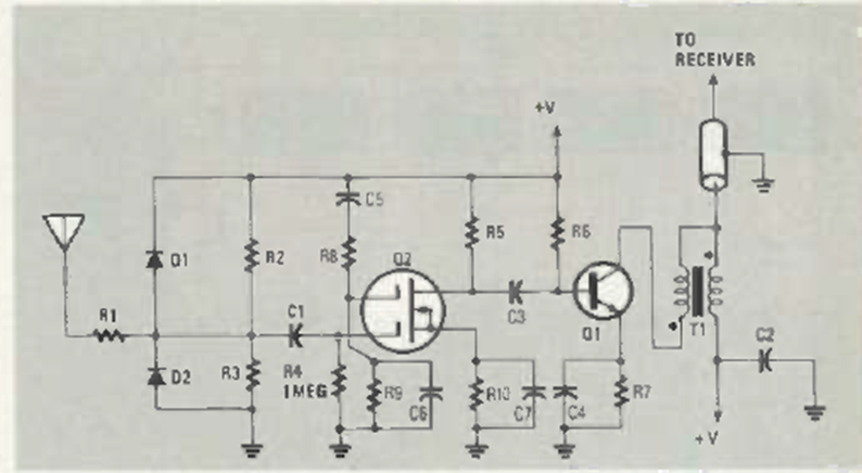
Aunque utiliza un FET de doble canal, que es difícil de encontrar hoy en día, este circuito fue lanzado en Radio Electronics en abril de 1986. Sirve como amplificador de señal para una amplia gama de frecuencias.
Los circuitos de alta frecuencia, como los que operan con señales de FM, son críticos no debiendo...
Las lámparas neón son elementos activos de circuitos que se caracterizan por presentar una región de...
Muchos proyectos que utilizan circuitos integrados de amplificadores operacionales, como el 741,...