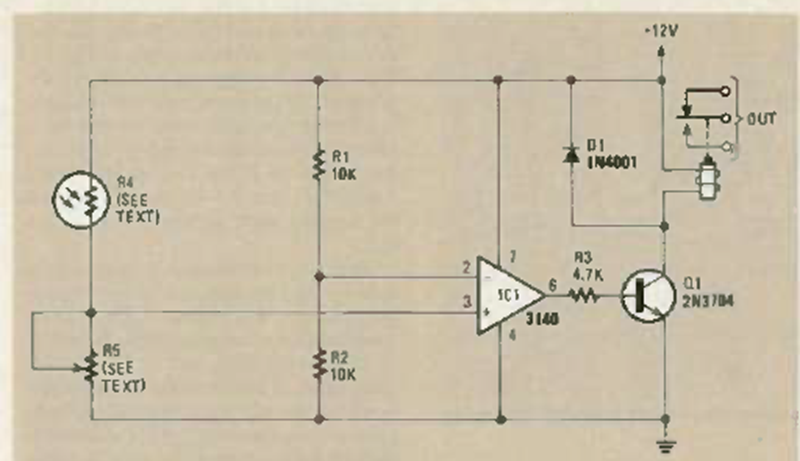
Este circuito activa el relé cuando la temperatura excede el valor establecido en el trimpot. El circuito es de Radio Electronics de junio de 1986. El sensor es un NTC y el valor de ajuste depende de este componente.
Los circuitos de alta frecuencia, como los que operan con señales de FM, son críticos no debiendo...
Las lámparas neón son elementos activos de circuitos que se caracterizan por presentar una región de...
Muchos proyectos que utilizan circuitos integrados de amplificadores operacionales, como el 741,...