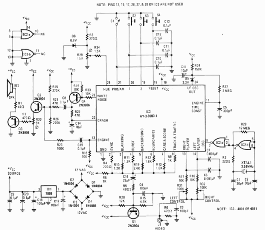
Este es el circuito tradicional del videojuego de carreras de 1980 con el AY3-6603-1 que también publicamos en su momento en nuestras revistas. Este circuito es de la revista Radio Electronics de agosto de 1980.
Este circuito genera una señal en el faja superior de las ondas cortas y puede llegar a la banda...
Este circuito ultra-simple puede ser montado en una cajita del tamaño de paquete de cigarrillos o poco...
Describimos el montaje de un sensible galvanómetro, que puede acusar la circulación de cadenas muy...