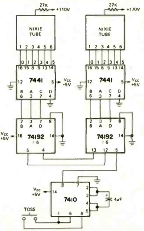
Este sencillo troquel electrónico TTL utiliza displays de ánodo comunes. El circuito es de una Radio Electronics de marzo de 1975. La fuente de alimentación debe suministrarse con una tensión de 5 V.

Este sencillo troquel electrónico TTL utiliza displays de ánodo comunes. El circuito es de una Radio Electronics de marzo de 1975. La fuente de alimentación debe suministrarse con una tensión de 5 V.
