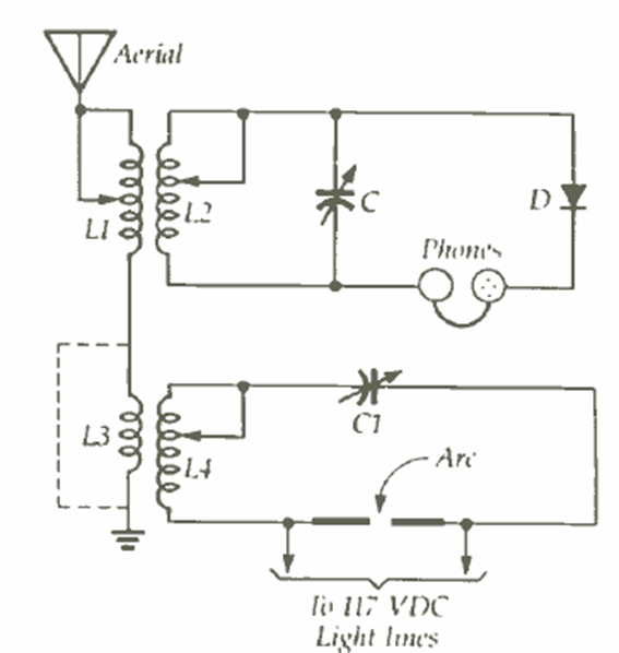
La chispa genera la señal heterodina en este antiguo receptor diseñado por Fessendem en los años 20. La frecuencia heterodina se determina adaptando las sintonias C1 y C a la emisora elegida.

La chispa genera la señal heterodina en este antiguo receptor diseñado por Fessendem en los años 20. La frecuencia heterodina se determina adaptando las sintonias C1 y C a la emisora elegida.
